热线电话:  021-31300312
 
扇形气缸
您的位置: 首页 > 扇形气缸
扇形气缸
名称: 扇形气缸
品牌: 克莱德CLYDE
型号: A2013,A1990,A1096,A1142,A1537
用途: 电厂,钢厂,气力物料输送


扇形气缸的优化设计,满足不同扭矩的要求,只有一个移动零部件,结构简单能够节省空间。耗气量小,节省能源,工作寿命长,保证四百万次以上动作。工作没有传动间隙,控制精度高,控制模块丰富,满足不同应用的需要。


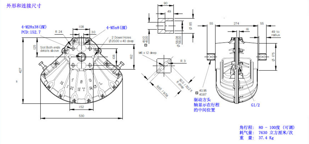
下图以一种系类作为参考:


 
联系我们
克莱德华通阀门(北京)有限公司上海分公司

电话:021-31300312

手机:13052089537

地址:上海市奉贤区茂园路661号793室
公司微信
克莱德华通阀门(北京)有限公司上海分公司微信

扫一扫立即关注

版权所有:克莱德华通阀门(北京)有限公司上海分公司©2018    www.clydemat.cn     备案号:沪ICP备18013172号-1